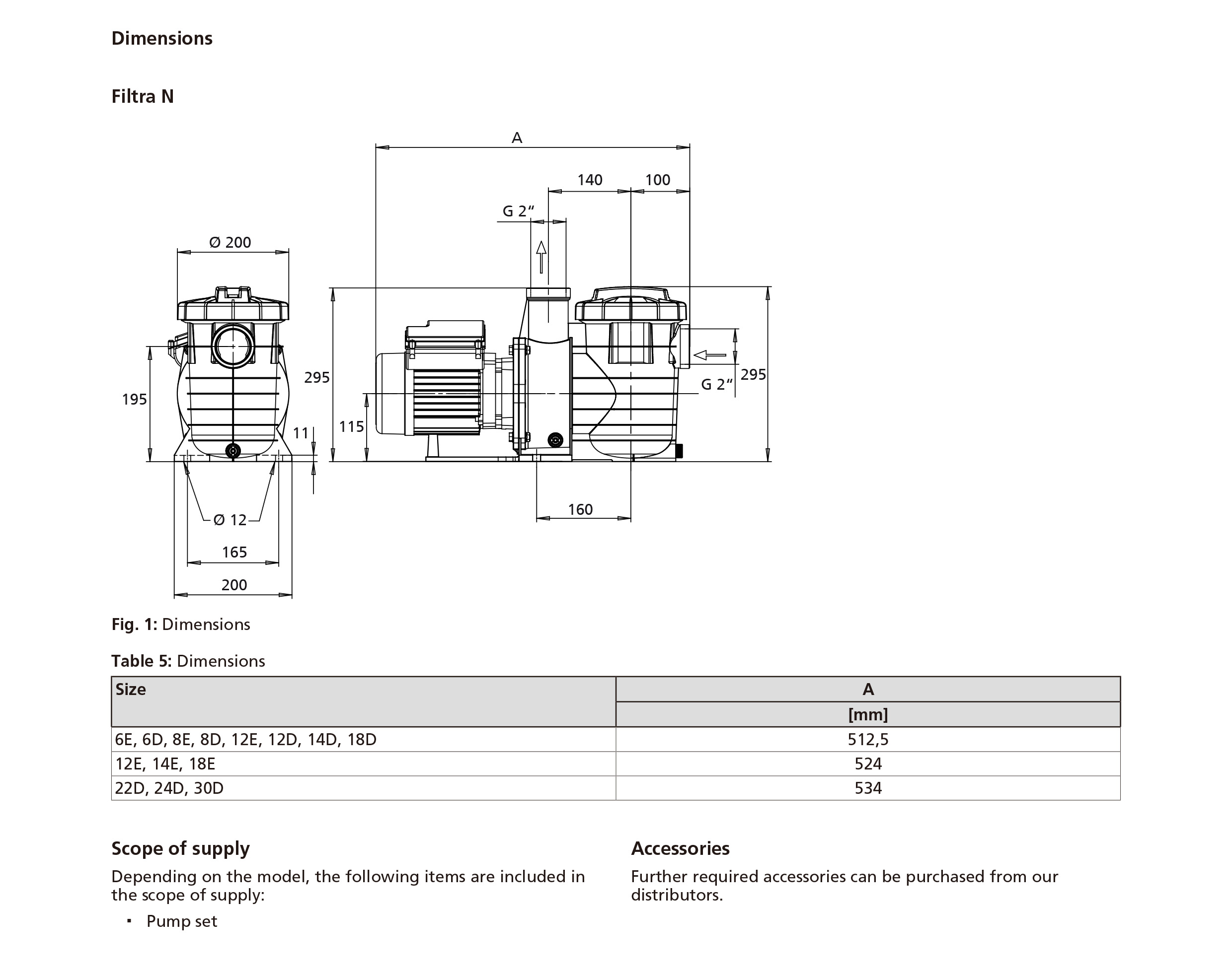
一、产品概述凯士比 KSB Filtra N 12 E 是单级直联式自吸离心泵,专为泳池水处理设计,可稳定输送含氯泳池水,为家用、小型商业泳池水循环过滤系统提供核心动力,驱动水体通过过滤设备,助力维持水质达标,适配泳池潮湿、含氯工况。二、适用场景
一、产品概述
凯士比 KSB Filtra N 12 E 是单级直联式自吸离心泵,专为泳池水处理设计,可稳定输送含氯泳池水,为家用、小型商业泳池水循环过滤系统提供核心动力,驱动水体通过过滤设备,助力维持水质达标,适配泳池潮湿、含氯工况。

二、适用场景
别墅、家庭小型泳池水循环过滤
会所、健身房、酒店小型商业泳池及 SPA 水疗池
小型泳池砂缸、硅藻土过滤设备配套动力单元


三、产品特点
适配泳池工况:耐含氯水质腐蚀,自吸能力强,无需提前注水即可启动,适配泳池常规运行需求。
材质可靠:泵体及核心部件选用耐腐材质,密封性能良好,可抵御泳池潮湿环境,运行稳定。
运行高效:直联式结构能耗低、噪音小,电机带过载保护,保障连续稳定运行。

安装运维便捷:结构紧凑、重量轻,安装灵活,透明泵盖便于观察,检修、清理简单。
适配性强:符合泳池水泵通用标准,可直接适配现有管道及过滤设备,可替换同类老旧水泵。
137 1688 2510
扫二维码 添加微信 详细咨询